SOCKET

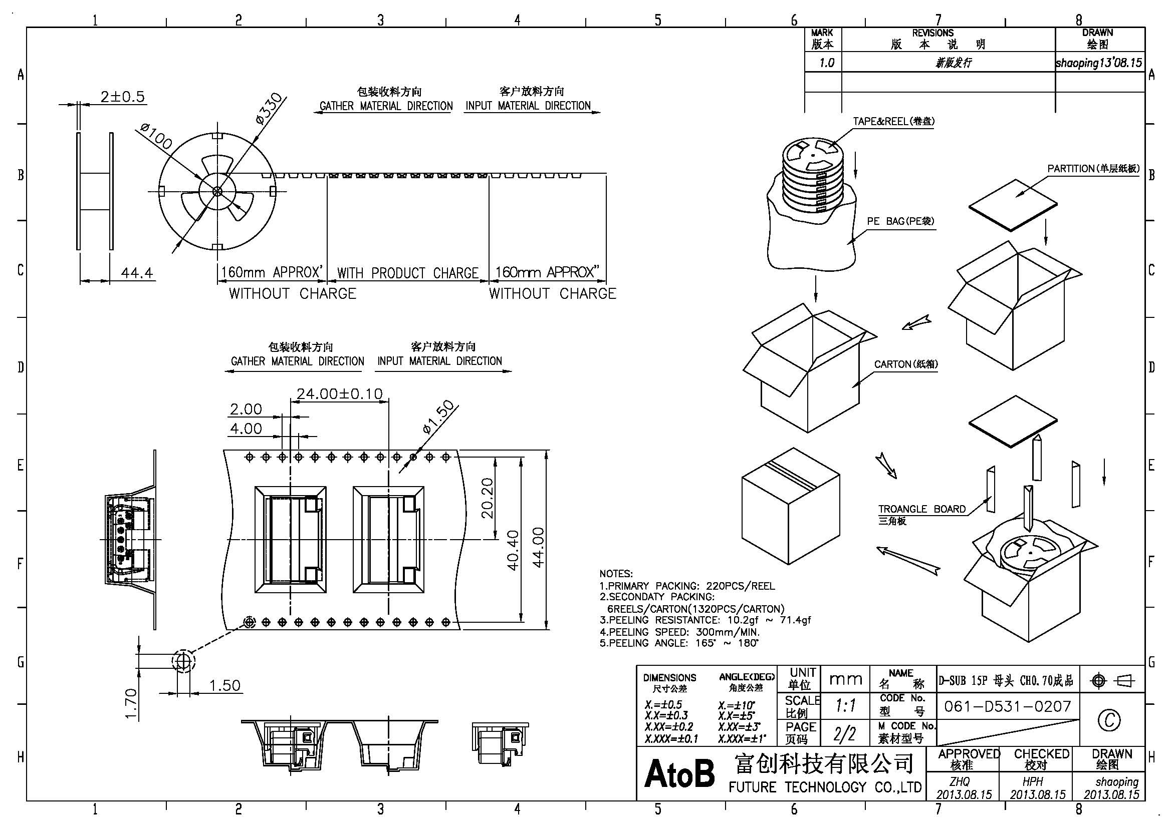
名称 : D-SUB 15P/F CH0.70 CONN.

型号 : 061-D531-0207

规格 : D-SUB 15P/F CH0.70 CONN. DIP 90D,铁壳不带螺丝孔,反向型

产品图片(Product Pictures) 技术资料(Technical Information)

分享:

Copyright ©2015 AtoB 富创智能科技 粤ICP备12001573号